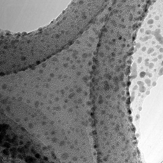
TEM IMAGES OF COPPER NANOPARTICLES (~5 nm)-

AVAILABLE PROCESS FOR PRODUCING METAL NANOPARTICLES

EMAIL US!

 

Back to INDEX